智慧大课堂
个人中心
搜索
智慧大课堂
高考化学必背物质结构知识
来源:中华大课堂
考点
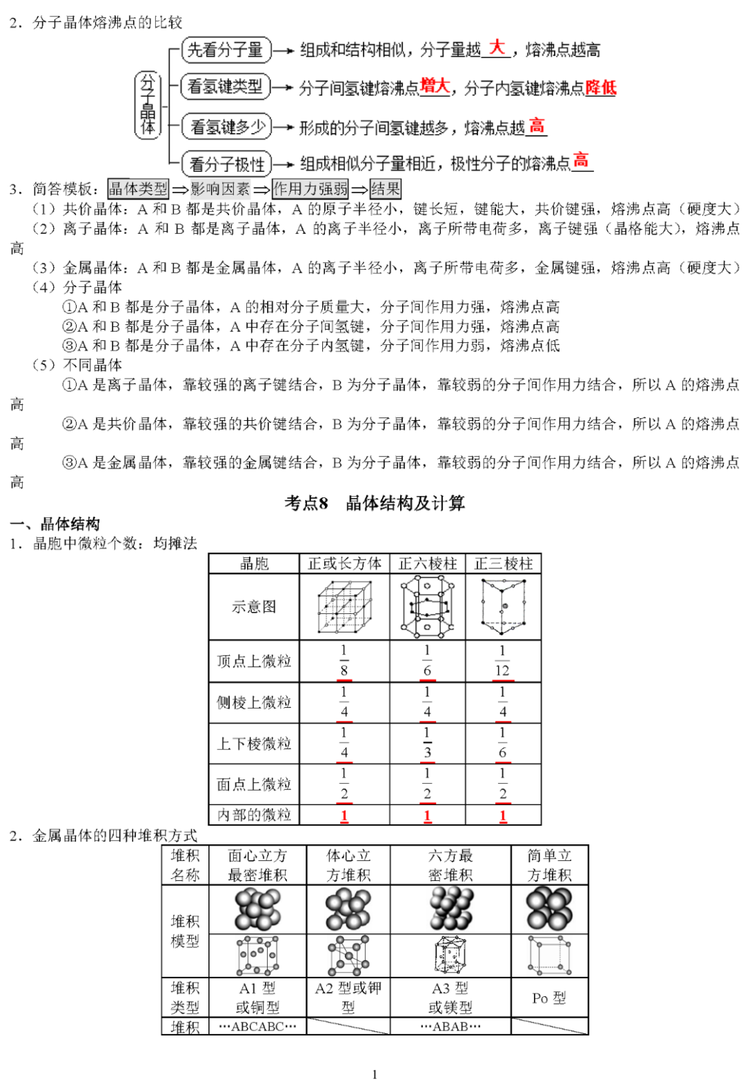
1
原子结构
一、能层、能级与原子轨道
1.
能层(
n
):
(又称:
电子层
)
(1)分层依据:
按照电子的
能量
差异
(2)表示符号:
K
、
L
、
M
、
N
、
O
、
P
、
Q
2.原子轨道(又称:
能级
、
电子亚层
)
3.1~36号元素的能层和能级
(1)K层:有
1s
一个电子亚层
(2)L层:有
2s
、
2p
两个电子亚层
(3)M层:有
3s
、
3p
、
3d
三个电子亚层
(4)N层:有
4s
、
4p
、
4d
、
4f
四个电子亚层
4.原子核外电子排布的原理
(1)
能量最低原理
:电子尽先排布在能量最低的轨道中。
(2)
泡利不相容原理
:每个原子轨道上最多只能容纳2个自旋方向
相反
的电子。如:
(3)
洪特规则
:电子在能量相同原子轨道上排布时,应尽可能分占
不同
的轨道而且自旋方向
相同
。
(4)
洪特规则特例
:能量相同的原子轨道在下列情况时,体系能量
最
低
①
全满
;即
s
2
、
p
6
、
d
10
②
半满
;即
s
1
、
p
3
、
d
5
③
全空
;即
s
0
、
p
0
、
d
0
二
、
原子核外电子排布
1.基态原子核外电子排布
(1)21~30号:[Ar]
3d
x
4s
2
①一般最后1位数是几,
x
就等于几
②
24
Cr:[Ar]
3d
4
4s
2
→
[Ar]
3d
5
4s
1
③
29
Cu:[Ar]
3d
9
4s
2
→
[Ar]
3d
10
4s
1
(2)31~36号:[Ar]3d
10
4s
2
4p
x
①最后1位数是几,
x
就等于几
②
32
Ge:
[Ar]3d
10
4
s
2
4p
2
③
34
Se:
[Ar]3d
10
4
s
2
4p
4
2.价电子
(外围电子
、特征电子
)
(1)21~30号:
3d
和
4s
上的电子数之和
(
2
)其他:
最外层电子数
(3)过渡金属原子:除Cu和Cr原子最外层有
1
个电子外,其余的元素的原子最外层都有
2
个电子
(4)过渡金属离子的价电子构型
:
优先失去
最外层
电子数
(
5
)
元素的最高价:
等于价电子数
高中资料
化三
阅读原文
阅读7078
分享
下一篇:
高考各科必考知识点归纳
上一篇:
高考生物必考知识点118条
发表评论
登录评论
匿名评论
提交
提交
首页
交费须知
网站简介
在线留言
电话咨询